The initial phase of a greenfield project has been called many things: a conceptual or schematic design, pre-project planning, front-end loading, feasibility analysis, preliminary design, decision support package, and more. However, a simpler more meaningful term, process definition, clarifies and emphasizes what is most important during the early phase of the project: defining the process. In fact, a precise and thorough process definition phase has major implications for the permitting, detail design, startup, commissioning and operational phases of the project, including the process automation and systems integration effort. Due to its far-reaching effects, the process definition phase is the foundation for all subsequent project phases — and plays a key role in the overall success of the project.
The reality is that all projects are schedule- and cost-driven, and all project managers feel the pressure to perform. Limited time to market, return on investment, and small project budgets all contribute to an inevitable compression of the project schedule. In the midst of this stressful situation, the project team may be tempted to shortchange the process definition and move ahead into the detail design phase as quickly as possible. However, initiating the detailed design phase too soon, at the expense of a comprehensive approach to process definition, often increases the time, effort and expense in later phases of the project.
A poorly defined process inevitably creates information gaps that leave the detail design team spinning its wheels while it seeks answers to questions such as:
• “How many tanks are necessary, in what sizes, and where are they located?”
• “How many and what size pumps and motors are needed?”
• “What are the requirements for utilities (power, air, water, steam, etc.)?”
• “How many and what types of process instruments are called for?”
• “Is there a safety instrumented system?”
• “What is the process automation strategy?”
Conversely, when the process is well-defined, experience shows that project goals and design milestones can be reached as scheduled; accurate budgets can be developed and met; and the project can progress smoothly through all phases of construction, startup and commissioning. Ultimately, with a lot of hard work and a bit of good fortune, the project team will meet its intended goals (throughput, quality, performance, environmental and costs) while providing an integrated process automation system that is operable, maintainable and flexible throughout the lifecycle of the new facility.
A thorough and accurate process definition will provide an answer to the question everyone needs to know: “What is it going to cost?” Accuracy depends upon the number of engineering hours expended in this phase, and typically runs ±30% for a commitment of 2–8% of the total engineering effort or ±20% for 10–20%. With a cost estimate and the necessary supporting documentation, leaders can make that “go/no-go” decision to fully fund the project now or plan for future implementation.
Crucial Steps And Deliverables
Let’s now explore the key elements in an efficient process definition phase, how they impact this phase, and level of detail required to achieve optimal results.
Define and document project goals and expectations as well as financial and performance/quality requirements. The project goals set the benchmark for the process definition detail team. They precisely define the purpose of the chemical process. In turn, they affect every supplier of components, ancillary equipment and systems involved in the project. The goals and requirements, while essential for meeting production quality and quantity needs, often are overlooked early in the planning process. This oversight frequently stems from uncertainty about the market demand for the product and customers’ quality requirements. Despite these uncertainties, the sooner it’s possible to develop hard numbers, the better it will be for the design, the schedule and the project overall. The project manager then will be able to disseminate this information to the team members of various disciplines, who will use it as the basis of the process design, including the specifications for the process, equipment, systems and components. As a result, the design detail team will be better able to meet the project goals.
Establish a multidisciplinary project team with realistic expectations for time allocation. This team typically consists of the core discipline leads: project manager, chemical process engineer, mechanical process engineer, instrumentation and controls engineer, electrical engineer, and information technology engineer. Given the demanding nature of their normal daily responsibilities, these people often can’t allocate sufficient time to the project.
For core discipline leads, the time allocated to the project should represent 20–50% or more of their total work hours per week for the duration of the process definition phase. This represents a significant time commitment for people who likely are overtaxed already. As a result, the actual investment of time in the process definition phase typically represents only 8–30% of the total design effort. However, the closer the time investment is to the “ideal,” the better the results will be at the conclusion of the process definition phase.
Set up a change management plan for project deliverables. In the chemical processing world, piping and instrumentation diagrams (P&IDs) are crucial for defining the process. Once the design team — which consists of members from various disciplines — begins to rely on these drawings to quantify the design effort, change management becomes extremely important. The best way to avoid potential upheavals is to develop and document a change-management/configuration-management plan during the initial project phase. This plan requires the team to agree on how P&IDs are to be revised, distributed and coordinated among the multiple groups involved in the design effort.
For instance, on larger projects, SSOE project managers typically develop P&ID revision logs to document any changes made after P&ID lockdown — such changes should be very limited. The logs note the change, reason/purpose for the change, which revision of the P&ID it appears on, and the name of the person who made the change. SSOE project managers use Excel spreadsheets for the logs, which are posted on SharePoint for online collaboration. As a global organization, SSOE has found this to be an effective tool for keeping project teams on the same page internally. Clients also have found it useful for working with SSOE employees across North America and internationally.
Stipulate the process to develop more-detailed process requirements. As noted earlier, the P&IDs are the most frequently used tools to define and document the chemical process. If the preceding steps generate and complete the noted deliverables in sufficient detail, the process-definition team should have the information needed to begin the P&ID development process.
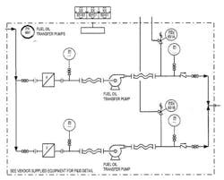
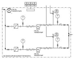
Figure 1. Such a drawing should clearly indicate major equipment boundaries for vendor-supplied systems and skids.
However, P&IDs sometimes fall short of the optimal level of detail in two key areas:
1. Major equipment boundaries for vendor, OEM-supplied systems and skids (Figure 1); and
2. Utility and support systems requirements.
Identification of major equipment and system boundaries is imperative because the team essentially is carving out a portion of the process and allocating the responsibility or scope to another entity. If all the pieces of the process puzzle are to fit, these boundaries must be precisely defined for the suppliers of each piece. This is particularly important for the successful integration of the process automation and other systems. Figure 2 shows the interdependency of the systems typically deployed to support a chemical process. Toward the end of the process definition phase, the team can start to develop equipment and subsystem specifications based on established process boundaries and requirements. In addition to the mechanical and process requirements, these specifications must include requirements for the control system, instrumentation, overall process integration strategy and the vendors’ role during process startup and commissioning.
Similarly, the process definition team must address the requirements of the utility and support system on the P&IDs, so the detail design team can clearly understand how to quantify and meet those requirements for the various pumps, motors, instruments and other equipment. This demands a significant level of detail, especially when, as is typical, a portion of the design is subcontracted — for example, piping tie points and process parameters at those tie points between the core process and utilities, such as compressed air, steam, cooling water, process water pretreatment and wastewater treatment systems.
Lack of detail in these areas can seriously affect the cost of the project and the efficiency of the detail design team, which must first work to fill in the information gaps before it can produce the extensive list of project deliverables. This is terribly inefficient and tends to introduce design errors and added costs because team members, subcontractors and equipment suppliers begin to make assumptions and work from incomplete and changing information to meet the tight detail-design schedule.
System Integration Issues
When vendor equipment and subsystem boundaries on P&IDs aren’t clearly stated, the allocation of the process and control system integration scope is unclear from the very beginning. Team members responsible for writing the specifications for equipment are forced to spend additional time trying to better define this scope or must make assumptions. Gaps in the scope of the control system integration lead to systems and software that don’t “communicate” or integrate to the extent required by the owner’s team (operations, maintenance, engineering and business/enterprise).
Figure 2. Most processes require integration of a wide variety of systems.
Develop preliminary high-level functional process and process control descriptions. Under the best of circumstances, the process definition phase should include development of a narrative of how the procedure will unfold. In particular, the process automation and systems integration engineer must be familiar with the plant automation strategy. For example, that person must know whether it is highly automated with one central control room and one or two operators, which generally is the norm today, or whether there are numerous field operators.
Prepare a preliminary high-level process controls network communications diagram. This block diagram should detail the networked systems and equipment, the network protocols and communication media. This key diagram typically covers major systems, subsystems, control panels, motor control centers, variable frequency drives, etc., including field instrumentation (if networked) and is based on the P&IDs, site plan and control system strategy. Additionally, it lays the foundation for detailed control system design, including software and control systems necessary to meet the project requirements. It also is involved in generating the cost estimate, which is an important outcome of the process definition phase. While the controls/communications plan is always in the process control engineer’s mind, it also must be defined and documented on paper.
Perform a process safety review or structured hazard and operability study (HAZOP). The U.S. Occupational Safety and Health Administration requires a process safety review; depending upon the severity of hazards identified, a formal structured HAZOP may be needed.
The outcome of this review may necessitate significant redesign of the process. (A change management plan will help here.) If the process can’t be modified to address possible safety hazards, safety instrumentation must be added to the process/P&IDs to help mitigate the risks. The development of a preliminary site plan indirectly relates to this effort. A hazardous area classification map might be needed to identify any areas that may contain dangerous materials so that appropriate electrical, instrumentation and controls systems can be designed for these areas.
Produce vendor equipment specifications based on established process boundaries and requirements. A system integration effort involves pulling together a variety of systems designed and supplied by multiple vendors into an effective integrated process automation and control system. In complex chemical processes, this coordination and integration effort is especially vital to a successful outcome.
Vendor specifications must include a well-written comprehensive scope of services required from the start of design through commissioning, including schedule compliance. Many vendors are very good at avoiding or dodging the details required by these specifications in an attempt to promote their standard off-the-shelf systems. The specifications must be referenced as part of the purchase order with a payment schedule. Noncompliance must result in no payment.
Unless the process definition phase addresses the vendor scope in advance — and places the appropriate level of accountability on those vendors through detailed specifications — the project can run into system integration problems. Unfortunately, all too often the specifications are ambiguous, which may result in a project not meeting requirements for production, throughput and product quality.
This also can affect integration with business and enterprise systems, including manufacturing execution systems and enterprise resource planning, depending upon their need for process-related data and information.
Multiple systems from multiple vendors can be costly and time-consuming to maintain. Therefore, it’s advantageous to specify and select an automation system with an installed base in the country or region where the plant will be sited, and the available resources, particularly programmers, to help maintain, refine and change the system throughout the lifecycle of the facility.
In addition, a process automation and system integration engineer should be a member of the project team from the process definition phase onward to help ensure a successful outcome. After all, a greenfield chemical plant requires process and system integration from the start. There are mechanical fit-ups, utility and process requirements (flow in and flow out), control system networking and software development requirements. A comprehensive approach to developing a solution has great value in the long run. If it’s possible to carve out a portion of the process so that a vendor can provide a turnkey unit, the risks are lower for everyone, and the process is more efficient and cost effective. If the solution has been fully explained, with the appropriate supporting documents, it should make the process much more efficient.
Laying A Firm Foundation
An effective and thorough process definition phase provides a sound basis for the entire detail design effort, which ultimately will lead to a successful project. Given the number of design disciplines — process piping; structural; architectural; civil; electrical power; instrumentation and controls; process automation; environmental; safety; project controls and estimating, and more — that rely on this foundation, a clear, comprehensive process definition is crucial to the outcome. The time, effort and cost invested upfront in planning will help ensure the project successfully meets all of its objectives, saves time and money, and avoids trouble.
DALE FELDHAUS is department manager, process instrumentation and controls, for SSOE Group, Toledo, Ohio. E-mail him at [email protected].


